Contact Us

Address: No.596, Yangshu Rd, Development Zones, Kunshan City, Jiangsu, 215334, P.R.China
Telphone: +86-512-50352985
Email: info@amksparts.com

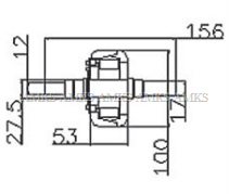
131947-P

#: 131947-P

131947-D.png

Prve: empty

Next: 131643-P